LOGO

Sakai FA led lighting. 工業用Led光源

日本製造,品質保証。

Sakai FA led lighting. 工業用Led光源

Sakai 垂直光同軸鏡頭

Sakai FA led lighting. 工業用Led光源 IDBB~LSR

Sakai Led 高亮度均光背光板

Sakai FA led lighting. 工業用Led光源 IDBB~LSR

Sakai 長條光適用於線性攝影機取像。

工業Led光源 IMAR

環形無影光源,有紅,藍,白,三色光源,在光源下取像光源方佈均勻。

Sakai FA led lighting. 工業用Led光源 IHVC-21AW

Sakai高亮度單點內同軸光源, 色溫6,500·K

Sakai 單點RGBLED光源(內同軸)

單點內同軸RGBW 4色混光,方便各種物件需要真實影像。

Sony camera. XC-ST70, XC-ST50, XC-ST30

SONY 黑白工業用相機

Sakai 5G Wifi 4K camera

Sakai 新型5G WIFI 4K HDMI 攝影機, 1/1.8吋晶片, 1080P,60FPS輸出,可以自己設定攝影機編号和密碼,直接連接手機和PAD, 又可多機多人同時使用,非常方便,另有內建充電電池款,更方便使用。

4K 相機 1080P 60張/秒

800相素攝影機
1/1.8” Sony 彩色晶片
HDMI 1080P. 60張/秒
隨身碟存檔

Sakai 電動導軌倍率鏡頭

Sakai 電動導軌倍率鏡頭, 馬達完全包覆,採用高效率磨擦系數小的直線導軌系統,相機最大接口2/3", 高精度,高性能,畸變小,穩定性高。

Sakai 工業用手動調整倍率鏡頭

日本製精密手機調整倍率鏡頭。

Comtutar manual zoom lens

手動調整低倍率鏡頭

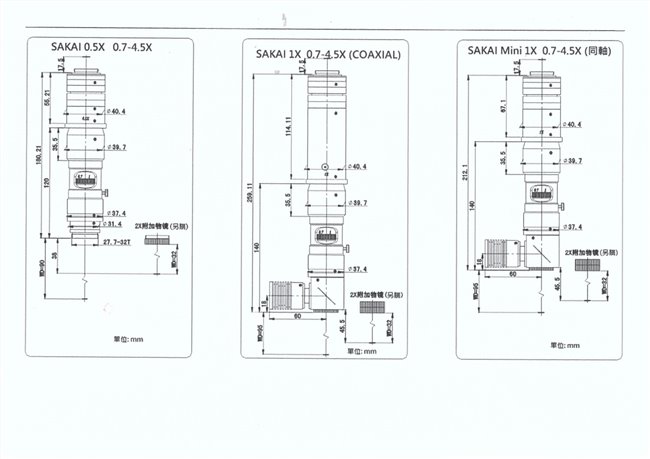
Sakai 手動調整倍率鏡頭

Sakai手動調整倍率鏡頭,
上面接管可分:標準1X, 0.5X, 0.67X, mini 1X. 下面則有0.7~4.5X, 非同軸,同軸。另可增加下手動微調焦,6~12mm.

Sakai 手動調整倍率鏡頭

Sakai手動調整倍率鏡頭,
上面接管可分:標準1X, 0.5X, 0.67X, mini 1X. 下面則有0.7~4.5X, 非同軸,同軸。另可增加下手動微調焦,6~12mm.

Sakai 手動調整倍率鏡頭

Sakai手動調整倍率鏡頭,
上面接管可分:標準1X, 0.5X, 0.67X, mini 1X. 下面則有0.7~4.5X, 非同軸,同軸。另可增加下手動微調焦,6~12mm.

Sakai FA lens. 工業用鏡頭

日本製造,品質保証。

SAKAI MACHINE VISION LENSES

MACHINE VISION LENSES, 百萬畫素用工業鏡頭.

Sakai 電動導軌倍率鏡頭

Sakai 電動導軌倍率鏡頭, 馬達完全包覆,採用高效率磨擦系數小的直線導軌系統,相機最大接口2/3", 高精度,高性能,畸變小,穩定性高。

Sakai 工業用2D/3D影像放大系統

SAkai CCD影像放大,可以手動2D/3D, 讓檢查外觀更方便,無死角。

Sakai一體成型手動倍率量測放大設備

Sakai一體成型手動倍率放大設備, 顯示器21,5吋,CCD tube 0.45X, 物鏡倍率0.6X~5X, 放大倍率18,3~152,2X (21.5吋顯示器),工作距離90mm, CCD解析1/2吋, 1920X1080, 60FRPS,
內附落射Led光源。

攜帶式7吋顯视器顯微鏡

7吋顯示器帶Marco zoom lens, 內建光源,直接取像,顯示器顯示被照物,顯示器另自帶充電電池,方便隨身使用,另有2個外接Led光源輔助,需外接電源。

Sakai 影像视覺放大

工業用ㄧ體呈像放大器

Sakai 影像视覺放大

Sakai 影像放大,可以解決视野過小不清楚的問題。

Sakai SCT 系列。顯示器內建高解析彩色攝影機。

顯示器內建高解析彩色攝影機,帶SD儲存裝置。適合3眼式顯微鏡,單筒视覺放大鏡頭使用

Sakai 影像视覺放大

Sakai SCT 系列, 顯示器內建高解析攝影機,有10吋,7吋,5吋。適合3眼生物,實體顯微鏡,單筒對位鏡頭使用。

Sakai Led 燈箱

Sakai Led燈箱, 適合工廠生產上使用。大學院校實驗室配合顯微鏡使用。

Sakai Led 燈箱

Sakai Led燈箱, 適合工廠生產上使用。大學院校實驗室配合顯微鏡使用。

Sakai Led IR光源箱

SAKAI Led IR850, IR940光源機,需外接光纖導出光源,較傳統式滷素燈IR,亮度提升許多。

Sakai 8通道Led 電源

SAKAI 8通道電源, AC100~240V IN, 輸出可以購買時約定輸出通道,
DC24V, DC12V, DC5V輸出通道, 共8通道。

Sakai Led 電源供應器

Sakai 新型Led光源電源供應器, AC100~240V in,
Dc12V out, 4通道, 可以外部控制或手動調整亮度。

SAKAI-107 高解析色彩 雙十字&二分割產生器

液晶玻璃對位機專用二分割影像器。