欣懋科技有限公司|工業鏡頭|工業相機|工業攝影機|工業攝影機鏡頭|工業攝影鏡頭|CCD攝影機|CCD鏡頭
欣懋科技,主要提供彩色黑白CCD攝影機 ( SONY, TELI, ARTRAY, JVC, PANASONIC, HITACHI, COSTAR ), 影像處理光源設備 (LED LIGHT, FIBER LIGHT, HF LIGHT), FA機器視覺工業用鏡頭 ( FUJINON, SAKAI, PENTAX, TAMRON, COMPUTAR, AV KENKO, MORITEX, MYUTRON, SEIWA ),其他還包括:
照明LIGHTING
1.Sakai led light Bar 60萬Lux IDBB-LSR
2.機器視覺專用Led照明光源
3.Led全彩RGB變色光源
4.Line Scan專用Led光源
5.光纖式Led光源主燈箱
6.高週波直螢光源, 環形光源
相機CAMERA
1.新型USB 2.0介面攝影機
2.彩色/黑白工業用攝影機
3.筆型 mini-type, 1394,
4.類比輸出
FA鏡頭FA LENS
1.機器視覺專用工業級鏡頭、工業鏡頭、工業攝影機鏡頭
2.φ12mm筆型同軸、φ17mm筆型同軸,
3.非同軸鏡頭
4.C-mount & CS-mount 專用鏡頭
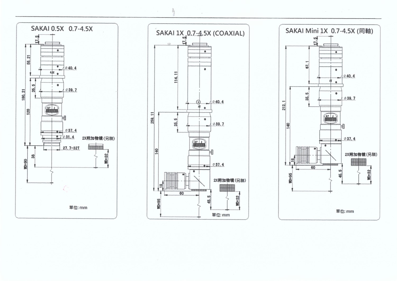
5.SAKAI MACHINE VISION LENSES:MACHINE VISION LENSES(百萬畫素用工業鏡頭)
配件ACCESSORIES
1.Sakai 9028 單十字定位產生器
2.Sakai 101單十字簡易量測產生器
3.Sakai 102雙十字定位產生器
4.FA LENS UV保護鏡,
5.IR, IR CUT, PL.
6.CCD 攝影機固定架
7.Led 光源固定架
8.Sakai 光學菱鏡,校正片,校正尺
9.SAKAI-107 高解析色彩 雙十字&二分割產生器
10.SAKAI-106 高解析彩色 雙十字/圓型/方型/產生器
服務範圍:
台北、新北、桃園、基隆、新竹、苗栗、台中、彰化、南投、嘉義、雲林、台南、高雄、屏東、宜蘭、花蓮、台東